Featured
- Get link
- X
- Other Apps
K Map Equation Calculator
K Map Equation Calculator. Note the following important points: Get the karnaugh map for 2,4,6 and even 10 variables in the karnaugh map calculator.

What is the karnaugh map? Developed by the physicist maurice karnaugh, this map finds the solution of binary expressions in picture form and simplifies them without using any law or theorem. Step 3 group the 1s.
Identify Minterms Or Maxterms As Given In Problem.
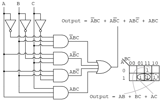
Detailed steps, logic circuits, kmap, truth table, & quizes. Following this same process, we can obtain the logical terms corresponding to each of the groups to finally form the logical expression for the particular output, as shown in table 3. F = x z’ w + x‘z’w
Allows The User To Input Values For A Karnaugh Map And Recieve Boolean Expressions For The Output.
Developed by the physicist maurice karnaugh, this map finds the solution of binary expressions in picture form and simplifies them without using any law or theorem. Online karnaugh map generator, which can take up to 4 bits of variables, and solve up to 8 distinct sets of outputs at a time. Step 2 write the boolean expression in the sop form.
The Counting Of 1S In The Group Should Be In The Form Of 2 3, 2.
This is an online karnaugh map generator that makes a kmap, shows you how to group the terms, shows the simplified boolean equation, and draws the circuit for up to 6 variables. A bank wants to install an alarm system with 3 movement sensors. In variable (a, b & c) form.
Comma Separated List Of Numbers.
An map of about 60 is necessary to perfuse coronary arteries, brain, kidneys. Online karnaugh map calculator this online program generates the simplified function based on the input and output values of a function using karnaugh maps method. Each cell represents the combination of three inputs.
Determine The Type Of Given Boolean Expression.
Detailed steps, logic circuits, kmap, truth table, & quizes. Sum of products product of sums (very slow with >10 variables) draw kmap draw groupings. Abc, ab c, a bc, a b c.
Comments
Post a Comment